Rumah / Berita

Berita

Cara Mencegah Rantai Roller Berkarat

Cara Mencegah Rantai Roller Berkarat

Rantai Rol telah memainkan peran besar dalam produksi industri saat ini. Kemudian setelah penggunaan jangka panjang, Anda akan menemuka...

Produsen Rantai Pertanian Memperkenalkan Persyaratan Penggunaan Konveyor Rantai

Produsen Rantai Pertanian Memperkenalkan Persyaratan Penggunaan Konveyor Rantai

Rantai Pertanian pabrikan memperkenalkan bahwa konveyor rantai cocok untuk berbagai lingkungan dan persyaratan. Secara khusus dapat dir...

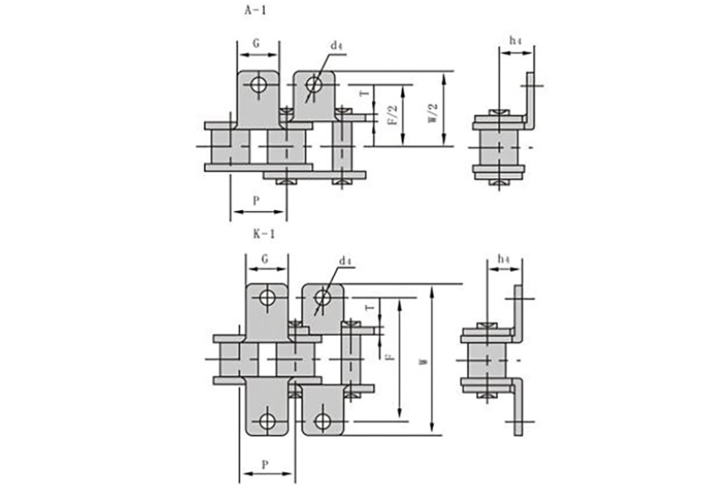
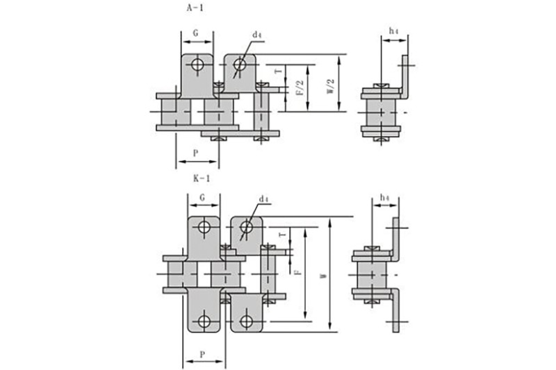
Apa Jenis Rantai Transmisi?

Apa Jenis Rantai Transmisi?

Jenis rantai transmisi rantai dapat dibagi menjadi Rantai Transmisi , Rantai Pengangkat dan Rantai Traksi. Rantai pengangkat dan rant...

Metode Umum Untuk Memperbaiki Sproket Industri

Metode Umum Untuk Memperbaiki Sproket Industri

Sproket Industri adalah aksesori yang mudah dipakai pada mesin industri. Untuk roda gigi yang aus, kami dapat memperbaikinya melalui beberapa...

Metode Perawatan Rantai Konveyor

Metode Perawatan Rantai Konveyor

Hari ini untuk berbagi metode pemeliharaan Rantai Konveyor : 1. Ketatnya rantai adalah hal yang penting. Jangan mengencangk...

Produsen Rantai Daun Berbagi Cara Menggunakan Rantai Galvanis Pengangkat dengan Benar

Produsen Rantai Daun Berbagi Cara Menggunakan Rantai Galvanis Pengangkat dengan Benar

Tergantung pada ketinggian pengangkatan benda pengangkat, panjang rantai dapat disesuaikan untuk menyelesaikan operasi pengangkatan dan pengangk...

Produsen Rantai Industri Berbagi Cara Menilai Keandalan Rantai Pagar Pembatas

Produsen Rantai Industri Berbagi Cara Menilai Keandalan Rantai Pagar Pembatas

Jika rantai pagar pembatas digunakan, keandalannya sangat penting. Berikut ini Rantai Industri pabrikan akan memperkenalkan Anda cara...

Silent Chain Dapat Digunakan Dalam Produksi Otomasi Pertanian

Silent Chain Dapat Digunakan Dalam Produksi Otomasi Pertanian

Untuk Rantai Diam , kegunaannya dalam segala lapisan masyarakat relatif besar. Diantaranya, kawan-kawan petani kita lebih dekat denga...

Hal-hal yang perlu diperhatikan saat membeli Rantai Sepeda Motor

Hal-hal yang perlu diperhatikan saat membeli Rantai Sepeda Motor

Ada banyak hal yang perlu diperhatikan saat membeli Rantai Sepeda Motor . Banyak orang yang sangat profesional tidak terlalu...

Cara Menghilangkan Noda Karat Rantai Roller

Cara Menghilangkan Noda Karat Rantai Roller

Rantai Rol memiliki ketahanan terhadap korosi yang kuat, namun bagaimana jika terdapat noda karat? Pertama-tama, kita dapat m...

Cara Menghilangkan Noda Oli Pada Rantai Penggerak

Cara Menghilangkan Noda Oli Pada Rantai Penggerak

Setelah menggunakan Rantai Penggerak dalam jangka waktu yang lama, jika tidak memperhatikan perawatan oli maka akan banyak oli atau k...

Filosofi dan Alur Kerja Desain Rantai Transmisi

Filosofi dan Alur Kerja Desain Rantai Transmisi

Rantai Transmisi , sebagai perangkat gaya transmisi umum, mengurangi gaya gesekan melalui desain "rantai" busur hiperbolik. Ini digunak...