Rumah / Berita

Berita

Apa Elemen Kekuatan Sproket Industri

Apa Elemen Kekuatan Sproket Industri

Kekuatan Sproket Industri terdiri dari dua elemen: kecepatan dan torsi; keduanya dapat ditularkan melalui roda gigi. Saat kincir air ...

Produsen Rantai Daun Memperkenalkan Bahan Pelumas Rantai

Produsen Rantai Daun Memperkenalkan Bahan Pelumas Rantai

Ada banyak jenis pelumas rantai yang beredar di pasaran. Rantai Daun pabrikan memperkenalkan apa saja bahan pelumas rantai: 1. P...

Produsen Rantai Industri Memperkenalkan Bentuk Pelumasan Rantai

Produsen Rantai Industri Memperkenalkan Bentuk Pelumasan Rantai

Jenis pelumasan rantai akan berbeda-beda tergantung cara penggunaan rantai. Rantai Industri pabrikan memperkenalkan bahwa sebagian be...

Produsen Silent Chain Memperkenalkan Tindakan Pencegahan Saat Memasang Sproket

Produsen Silent Chain Memperkenalkan Tindakan Pencegahan Saat Memasang Sproket

Rantai Diam Pabrikan memperkenalkan hal-hal yang harus diperhatikan saat memasang sproket 1. Pilih model dan bahan sproket yang...

Produsen Rantai Sepeda Motor Memperkenalkan Karakteristik Penggerak Rantai Dan Perputaran Gigi

Produsen Rantai Sepeda Motor Memperkenalkan Karakteristik Penggerak Rantai Dan Perputaran Gigi

Rantai Sepeda Motor Pabrikan memperkenalkan karakteristik penggerak rantai dan putaran gigi: 1. Fitur penggerak rantai: ①D...

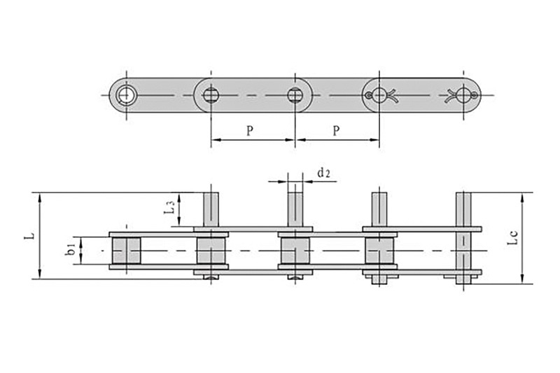
Struktur Rantai Rol

Struktur Rantai Rol

Struktur dari Rantai Rol : Pelat rantai luar dan poros pin, pelat rantai dalam, dan selongsong masing-masing dihubungkan de...

Produsen Rantai Penggerak Memperkenalkan Metode Perlakuan Panas Umum Untuk Rantai Gantung

Produsen Rantai Penggerak Memperkenalkan Metode Perlakuan Panas Umum Untuk Rantai Gantung

Rantai Penggerak Produsen memperkenalkan metode perlakuan panas umum untuk rantai suspensi: anil, normalisasi, pendinginan, temper, kar...

4 Penyebab Umum Korosi Dalam Rantai Pertanian

4 Penyebab Umum Korosi Dalam Rantai Pertanian

Jika Rantai Pertanian terkorosi selama penggunaan normal, perlu untuk menganalisis alasannya. 1. Kegagalan mengikuti langka...

Cara Menangani Fenomena Stick-Slip Pada Rantai Transmisi Dengan Benar

Cara Menangani Fenomena Stick-Slip Pada Rantai Transmisi Dengan Benar

Jika Rantai Transmisi bersifat stick-slip, hal ini akan menyebabkan seringnya gangguan pada jalur produksi, mengurangi efisiensi kerj...

Proses Perawatan Rantai Konveyor

Proses Perawatan Rantai Konveyor

Bagaimana cara mempertahankannya Rantai Konveyor : 1. Kekencangan rantai konveyor baja tahan karat tidak boleh terlalu kencan...

Tips Perawatan Sproket Industri

Tips Perawatan Sproket Industri

Bagaimana cara mempertahankannya Sproket Industri : 1. Kekencangan rantai tidak boleh terlalu kencang atau terlalu longgar, jika...

Keterampilan Membeli Rantai Daun

Keterampilan Membeli Rantai Daun

Rantai Daun memiliki banyak fungsi, lalu apa saja yang harus diperhatikan saat membeli rantai? 1. Pemeriksaan penampilan rant...